
產品型號:W-28G
產品名稱:鋁合金流利條
鋁合金流利條骨架是采用優質高強度鋁合金擠壓型材,滾輪等配件由工程塑料ABS或PS改性后注塑而成,顏色有黃、藍、黑、灰、白色等。產品廣泛應用于倉儲設備領域,具有高強度自潤滑耐壓(每軸承重可達10kg)、抗沖擊、壽命長等優點,有效地提高了倉儲及分揀效率。
可根據客戶的不同需求定制各種特殊規格的產品。
>>仕樣表
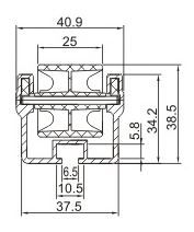
(單位:mm)

>>示意圖
W-28G(特型)

フレーム形狀 | 機高 | 全 長 | ホイール間隔 | ホイール | フレーム | 備 考 |
35×42 | 42.5 | 1,000?2,000 | 30?45 | 10 | アルミ | ABS |