
產品型號:φ20福來輪 W-2015BS系列
產品名稱:φ20福來輪 W-2015BS切削式滾輪流利條
切削式滾輪流利條使用切削滾輪、福來輪、滾筒等,形式多樣。
>>說明
1.滾輪直徑:φ20
2.可以根據客戶要求定做。
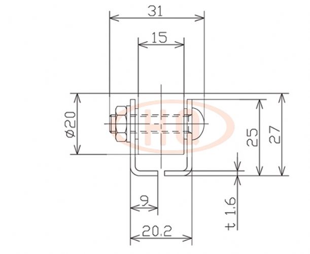
>>示意圖

>>仕様表
(単位 mm)
型 號 | 福來輪尺寸 | 使用軸 |
W-2015BS | 20×15×6.1×17 | M6 ×27L |
框架尺寸 | 機高 | 全 長 | 福來輪中心距 | 彎道半徑 | 單只福來輪承載(kg) | 參考 |
25×20.2×9×31×1.6 | 27 | 1,000?1,500 | 25?30?35 | 1,000 | 30 |