產品型號: R-6023P
產品名稱:?60鋼制滾筒自由輸送機
>>說明
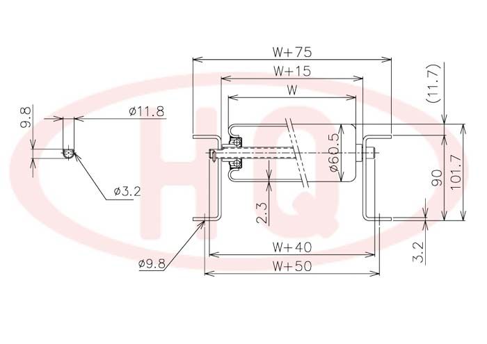
1.滾筒直徑:?60mm(壁厚2.3mm)
2.支架: 90mm槽鋼
3.幅寬: 100mm~1000mm
4.承重量: max約370kg
5.軸承:專用沖壓軸承
>>仕樣表
(單位 mm)
| 滾 筒 幅 寬 W (mm) | 100 | 200 | 300 | 400 | 500 | 600 | 700 | 800 | 900 | 1,000 | ||
| 輸送機幅寬 W+75 (mm) | 175 | 275 | 375 | 475 | 575 | 675 | 775 | 875 | 975 | 1,075 | ||
| 滾筒承重強度 (kg) | 180 | 170 | 150 | 110 | 90 | 75 | 65 | 55 | 50 | 45 | ||
| 輸送機重量 3,000L (kg) | 75P | 43.5 | 58.2 | 72.9 | 87.4 | 102.4 | 120.0 | 135 | 152.7 | 165 | 180 | |
| 100P | 38.0 | 49.1 | 60.3 | 71.2 | 82.6 | 97.0 | 108.1 | 121.6 | 131 | 142.4 | ||
| 滾筒(含軸)重量 (g) | 519 | 851 | 1169 | 1502 | 1842 | 2165 | 2508 | 2839 | 3170 | 3518 | ||
>>示意圖




